
概述:
JLSGG-10硅橡胶高压计量箱为户外干式,适用于50Hz、6-10kV三相交流电力线路或配电变压器,计量或用电管理监督考核,在季节负荷变化较大的用户,可选择双变比计量箱,扩大计量的范围,提高计量的精度。
本产品是在普通瓷套管干式计量箱的基础上,改变结构及外形优化的产品,电压、电流互感器主体绝缘采用硅橡胶材料真空浇注。硅橡胶材料以其优良的理化性能,逐步推广用于电力行业各种产品中。硅橡胶材料化学性能稳定,介电性能优良,耐高温和耐低温,可在-40℃-85℃正常使用,绝缘性能不变、不开裂、不老化。解决了环氧树脂材料在温度变化较大的情况下开裂击穿的弊病。该系列高压计量箱更适应高温、高寒、高湿地区的恶劣环境。
型号定义:
结构特点:
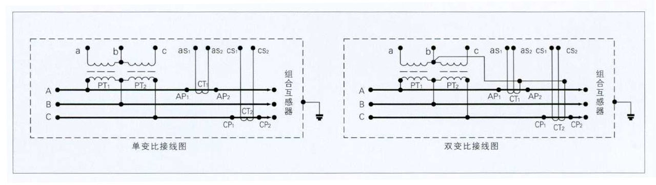
1. 本产品为两元件型,配备A、C相两只电流互感器,和两只电压互感器,采用V/V接线,额定二次电流5A,额定二次电压100V,配用三相三线有功或无功电能表。
2. 对于季节性负荷变化较大的电力用户,可选用双变比宽量限高压计量箱,不停电可在表箱内通过改变专用互感器端子盒连接片倒换变比。
3. 计量表箱和组合互感器可一体连接,组成连体高压计量箱,在柱上安装使用;也可以分别安装,柱上安装组合互感器,下面安装计量表箱,中间用铠甲电缆连接。
4.为了加强防窃电能力,该系列高压计量箱的改进型采用硅橡胶套管直接引出护套电力电缆,杜绝了在电流互感器一次侧短接窃电的弊病,该产品型号为JLSGF-10(6)P(K)。
执行标准:GB20840-2015
主要技术参数:
接线原理图
外形安装尺寸: